CCM Studio 组态软件

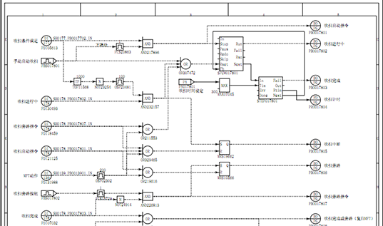
CCM Studio组态软件,采用图形化、模块化方式,简单、易用、灵活,提供多种标准的功能及算法模块供用户选用,实现数据采集、连续控制、顺序控制的控制功能。组态结果直接以SAMA图形式输出,不需重复绘制逻辑图、SAMA图。
采用鼠标拖放自动连接线技术及相邻模块管脚捕捉连接技术,节省组态时间。支持离线组态和在线组态:在离线方式下,产生和修改控制算法、顺序控制策略,完成后再下载至控制器内运行。在线状态下,可增、减组态模块、连线、设置参数,控制策略修改后下载,不需中断控制器运行,下载过程不会影响该控制器内其他正常运行的控制策略,方便了系统的调试和投运。
提供丰富的控制算法模块和专用的设备级驱动块,应用中直接调用,无需二次开发,另外提供易扩展的接口,支持C语言自定义模块,用户可使用C语言,自定义各类控制算法,非常容易实现对复杂逻辑的控制。

产品特点

自主可控
自主可控

软件国产化率达100%,并通过了第三方权威机构的100%自主可控测试认证。

模块化组态
模块化组态

采用SAMA图组态方式,方便直观,简单易用。

工程管理便捷
工程管理便捷

组态可导出成PDF文件。

故障诊断与预测
故障诊断与预测

支持通道级诊断,通过实时数据采集与分析,实现设备异常预警、故障诊断及事故预报。

中文设计
中文设计

采用全中文深度本土化设计,界面友好,通过向导式一键安装引擎实现开箱即用。

无扰下载
无扰下载

组态以页的形式,可进行单页无扰下装,降低在线维护风险。

授权便捷
授权便捷

系统授权便捷灵活,支持在线动态扩容控制节点,满足实时控制系统扩展需求。

双向数据互通
双向数据互通

上位机与下位机间可进行数据互通与逻辑调用,并快速定位,减少调试、维护难度。

数据完整性
数据完整性

系统可采用冗余历史站的配置方案,历史画布支持同时调阅20组数据,实现工业级数据完整性保障。

自主可控
自主可控

软件国产化率达100%,并通过了第三方权威机构的100%自主可控测试认证。

模块化组态
模块化组态

采用SAMA图组态方式,方便直观,简单易用。

工程管理便捷
工程管理便捷

组态可导出成PDF文件。

故障诊断与预测
故障诊断与预测

支持通道级诊断,通过实时数据采集与分析,实现设备异常预警、故障诊断及事故预报。

中文设计
中文设计

采用全中文深度本土化设计,界面友好,通过向导式一键安装引擎实现开箱即用。

无扰下载
无扰下载

组态以页的形式,可进行单页无扰下装,降低在线维护风险。

授权便捷
授权便捷

系统授权便捷灵活,支持在线动态扩容控制节点,满足实时控制系统扩展需求。

双向数据互通
双向数据互通

上位机与下位机间可进行数据互通与逻辑调用,并快速定位,减少调试、维护难度。

数据完整性
数据完整性

系统可采用冗余历史站的配置方案,历史画布支持同时调阅20组数据,实现工业级数据完整性保障。

智能助手

回到顶部

Baidu
map